发布时间:2026-02-07 17:57:27 来源:凉越制冷科技


型号说明:
MODEL DESCRIPTION: STB — 0000 L / 0 B
STB:横流式方形冷却塔系列
0000:每小时循环处理水量(m3/h)
L:低噪音型
0:S:单体
D:两风机
T:三风机
M:多风机
B:镀锌钢结构
STB系列低噪音横流式水轮机方塔性能参数表
| 型号 MODEL | 冷却水量 FLOW (M3/h) | 外形尺寸(mm) TOWER DIMENSION | 风机EXHAUST FAN | 重量(kg) WEIGHR | 噪音dB(A) NOISE | |||||||
| 宽(W) WIDTH | 长(L) LENGTH | 高(H) HEIGHT | 塔身(H1) | 风筒(H2) | 风机直径(mm) FAN DIAMETER | 风量 Air Volume | 功率(KW) MOTOR | 净重 DRY | 运行重量 WET | |||
| STB-100 | 100 | 3200 | 1980 | 3700 | 2300 | 700 | 1500 | 42000 | BJ-LJ-HL5-100 | 860 | 2260 | 54 |
| STB-125 | 125 | 3600 | 2320 | 3700 | 2300 | 700 | 1800 | 61000 | BJ-LJ-HL5-125 | 1080 | 2830 | 54 |
| STB-150 | 150 | 3800 | 2600 | 3700 | 2300 | 700 | 2120 | 92000 | BJ-LJ-HL5-150 | 1180 | 3550 | 55 |
| STB-175 | 175 | 3800 | 2930 | 3700 | 2300 | 700 | 2120 | 92000 | BJ-LJ-HL5-175 | 1300 | 3810 | 55.5 |
| STB-200 | 200 | 4300 | 3040 | 3700 | 2300 | 700 | 2400 | 105000 | BJ-LJ-HL5-200 | 1600 | 4020 | 55.5 |
| STB-225 | 225 | 4300 | 3040 | 3700 | 2300 | 700 | 2400 | 105000 | BJ-LJ-HL5-225 | 1710 | 4150 | 56 |
| STB-250 | 250 | 5300 | 3000 | 4100 | 2700 | 700 | 2400 | 105000 | BJ-LJ-HL5-250 | 2380 | 5280 | 56 |
| STB-300 | 300 | 5550 | 3250 | 4100 | 2700 | 700 | 2850 | 150000 | BJ-LJ-HL5-300 | 2580 | 5650 | 57 |
| STB-350 | 350 | 5800 | 3500 | 4100 | 2700 | 700 | 2850 | 150000 | BJ-LJ-HL5-350 | 2850 | 6270 | 58 |
| STB-400 | 400 | 6050 | 3750 | 4250 | 2700 | 700 | 3200 | 180000 | BJ-LJ-HL5-400 | 3250 | 6880 | 59 |
| STB-450 | 450 | 6300 | 4000 | 4250 | 2700 | 700 | 3200 | 180000 | BJ-LJ-HL5-450 | 3660 | 7350 | 60 |
| STB-500 | 500 | 6300 | 4000 | 4850 | 3300 | 850 | 3200 | 180000 | BJ-LJ-HL5-500 | 4260 | 8500 | 60 |
| STB-600 | 600 | 6800 | 4500 | 5150 | 3300 | 850 | 3350 | 210000 | BJ-LJ-HL5-600 | 4680 | 9360 | 60.5 |
| STB-700 | 700 | 6800 | 4500 | 5800 | 3900 | 900 | 3700 | 240000 | BJ-LJ-HL5-700 | 5100 | 10250 | 61 |
| STB-800 | 800 | 7300 | 5000 | 5800 | 3900 | 900 | 4050 | 300000 | BJ-LJ-HL5-800 | 5100 | 12300 | 61.5 |
| STB-900 | 900 | 7800 | 5500 | 5800 | 3900 | 900 | 4250 | 420000 | BJ-LJ-HL5-900 | 6880 | 14560 | 62 |
| STB-1000 | 1000 | 8300 | 6000 | 5800 | 3900 | 900 | 4550 | 480000 | BJ-LJ-HL5-1000 | 7660 | 16300 | 63.5 |
注: 1、该系列冷却塔设计工况为:干球温度31.5℃、湿球温度27℃、进水温度37℃ 、出水温度32℃、大气压力99400pa。
2、客户在冷却塔管道安装过程中,需在进水口处增加Y型过滤器、阀门及压力 表等辅助管件。
STB系列低噪音横流式水轮机方塔外形示意图

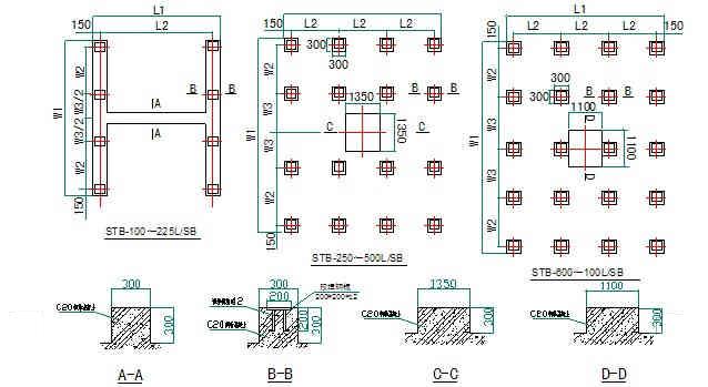
STB系列低噪音横流式水轮机方塔基础尺寸表
| 型号 MODEL | 基础尺寸(mm) FOUNDATION DIMENSION | |||||
| W1(mm) | W2(mm) | W3(mm) | L1(mm) | L2(mm) | H(mm) | |
| STB-100L/SB | 3420 | 910 | 1300 | 2200 | 1900 | 300 |
| STB-125L/SB | 3760 | 960 | 1540 | 2520 | 2220 | 300 |
| STB-150L/SB | 3960 | 1060 | 1540 | 2800 | 2500 | 300 |
| STB-175L/SB | 3960 | 1060 | 1550 | 3130 | 2830 | 300 |
| STB-200L/SB | 4460 | 1210 | 1740 | 3240 | 2940 | 300 |
| STB-225L/SB | 5330 | 1600 | 915 | 3210 | 970 | 300 |
| STB-250L/SB | 5550 | 1600 | 1125 | 3510 | 1070 | 300 |
| STB-300L/SB | 5800 | 1600 | 1150 | 3510 | 1070 | 300 |
| STB-350L/SB | 6050 | 1600 | 1275 | 3760 | 1153.3 | 300 |
| STB-400L/SB | 6300 | 1600 | 1400 | 4010 | 1236.6 | 300 |
| STB-450L/SB | 6550 | 1600 | 1525 | 4260 | 1320 | 300 |
| STB-500L/SB | 6550 | 1600 | 1525 | 4260 | 1320 | 300 |
| STB-600L/SB | 7050 | 1600 | 1775 | 4760 | 1486.6 | 300 |
| STB-700L/SB | 7050 | 1600 | 1775 | 4760 | 1486.6 | 300 |
| STB-800L/SB | 7550 | 1600 | 2025 | 5260 | 1653.3 | 300 |
| STB-900L/SB | 8050 | 1600 | 2275 | 5760 | 1820 | 300 |
| STB-1000L/SB | 8550 | 1600 | 2525 | 6260 | 1986.6 | 300 |
基础施工时注意事项:
1、一次灌浆时在预埋钢板位置留孔位;二次灌浆前将预 埋钢板插入孔位,进行灌浆和效验水平,校正水平度
±2mm,中心轴承偏差±4mm。
2、不同型号的冷却塔在共用总管时,应确保冷却塔水盆上线在同一水 平面上,必要时调整基础高度。
3、冷却塔在布管时必须确保出水总管有承托时尽量低于出水位,必要 时加高基础,以防停机时水量倒流。
STB系列低噪音横流式水轮机方塔基础示意图

STB系列低噪音横流式水轮机方塔配管尺寸表
| 型号 | 进水(mm) | 出水(mm) | 溢水(mm) | 排污(mm) | 自动补水(mm) | 手动补水(mm) |
| INLET | OUT | OVERFLOW | DRAIN | AUTO FEED | QUICK FEED | |
| STB-100L/SB | 100 | 125 | 80 | 80 | 25 | 40 |
| STB-125L/SB | 125 | 150 | 80 | 80 | 25 | 40 |
| STB-150L/SB | 150 | 150 | 80 | 80 | 25 | 40 |
| STB-175L/SB | 200 | 200 | 80 | 80 | 25 | 40 |
| STB-200L/SB | 200 | 200 | 80 | 80 | 25 | 40 |
| STB-225L/SB | 200 | 200 | 80 | 80 | 32 | 50 |
| STB-250L/SB | 200 | 250 | 80 | 80 | 32 | 50 |
| STB-300L/SB | 200 | 250 | 100 | 100 | 32 | 50 |
| STB-350L/SB | 200 | 250 | 100 | 100 | 32 | 50 |
| STB-400L/SB | 250 | 300 | 100 | 100 | 50 | 80 |
| STB-450L/SB | 250 | 300 | 100 | 100 | 50 | 80 |
| STB-500L/SB | 250 | 300 | 100 | 100 | 50 | 80 |
| STB-600L/SB | 300 | 350 | 100 | 100 | 50 | 80 |
| STB-700L/SB | 300 | 350 | 100 | 100 | 50 | 80 |
| STB-800L/SB | 300 | 350 | 100 | 100 | 50 | 80 |
| STB-900L/SB | 400 | 400 | 100 | 100 | 50 | 80 |
| STB-1000L/SB | 400 | 400 | 100 | 100 | 50 | 80 |
注:两台或两台以上组装时,我公司将通过集水 盆联通平衡水位。

北京凉越制冷设备有限公司
咨询热线:010-87696820
联系手机:15210561752
公司地址:北京市大兴区庞各庄薛营工业区南3号